La Ghostin'terface
  Hacks autour d'un TRS-80 MODEL I
Open menu
  • Accueil
    • Premier démarrage
  • Mon labo
    • Oscilloscope
    • Programmateurs
    • Analyseur logique
    • Prototypage
    • Imprimantes 3D
  • Les bases
    • Un peu d'électronique
    • Les circuits logiques
    • Les bascules
    • Les réseaux logiques
  • Carte vidéo
    • Conventions
    • Etude préliminaire
      • Fonctionnalités attendues
      • Choix des composants
      • Accès à la mémoire
      • Un peu de concret
      • Premiers tests
    • Programmation
      • Accès à la mémoire
        • Adressage
        • Bus de données
        • Pagination
      • Génération de la vidéo
        • Synchro générale
        • Lecture de la mémoire
        • Affichage vidéo
      • Fonctionnalités supplémentaires
        • Vidéo Texte du TRS-80
        • Registres de configuration
        • Remplissage mémoire
        • Remplissage multiple
        • Horloge de précision
        • Interruptions
    • Fonctionnalités détaillées
  • Lecteur de disquettes
    • De quoi est-il question ?
    • Contrôleur de disques
      • Adressage
      • Commandes
      • Interruptions
    • Developpement
      • Choix stratégiques
      • Matériel
        • Choix des composants
        • Conventions
        • Protocole d'échange
      • Logiciel
        • Le CPLD
        • L'afficheur OLED
        • La carte SD
        • Le système de fichiers
    • Format de disquette
  • Vectrex
    • MOD ronflette
    • 3D Imager
    • Lightpen
  1. Vous êtes ici :  
  2. Accueil
  3. Les bases

Ce qu'il faut connaitre

Un peu d'électronique

La gestion des signaux échangés par un microprocesseur est séquentielle, en effet chaque accès, mémoire, périphérique est effectué en validant une à une des phases de demande, validation, lecture ou écriture. Toutes ces phases se succèdent précisément dans le temps en fonction de signaux de commande ou de signalisation.

Détails
Publication : 17 Novembre 2024

Lire la suite...

Les circuits logiques

L'utilisation des circuits logiques s'impose dans la gestion des échanges entre un processeur et ses périphériques.

Détails
Publication : 18 Novembre 2024

Lire la suite...

Circuit logiques - Bascule

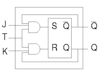
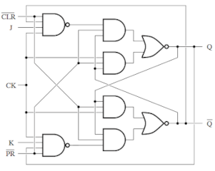
Les bascules

Une combinaison logique, c’est bien, mais parfois, c’est insuffisant. Il faut parfois pouvoir réagir sur un évènement en fonction d’un comportement précédent et utiliser des éléments de ‘mémoire’. On utilise pour cela des « bascules » qui sont des éléments qui conservent l’état d’un évènement donné.

Détails
Publication : 19 Novembre 2024

Lire la suite...

Les réseaux logiques programmables

Un peu plus d'abstraction, de virtualisation...

Détails
Publication : 20 Novembre 2024

Lire la suite...

Connexion

  • Mot de passe perdu ?
  • Identifiant perdu ?
  • Créer un compte